產品介紹
舞臺手拉葫蘆機構更趨合理,體積小,重量輕,是一種使用廣泛,攜帶方便的手動起重機械。提升舞臺吊燈組用的手拉葫蘆,可用于工業、農業建筑業、舞臺巡回演出、礦業等的機器安裝、貨物起吊、車輛裝卸等,尤其適用于露天及無電源作業。
舞臺手拉葫蘆額定負載從500公斤到2000公斤,黑色機體,適用于娛樂行業使用。整機操作簡便,效率高,手拉力小鍍鋅鏈條,有效防止生銹,設計簡潔,凈空低和較輕的鋼結構,能夠輕松操作,甚至在下載的空間也運用自如,手輪罩中的導向槽能夠小程度防止卡鏈和滑鏈,上 下鍛造吊鉤配有安全鎖片能預防貨物滑落,360度旋轉的吊鉤方便使用。
舞臺手拉葫蘆優點:
1、所有的部件均采用高品質材質制造,并采用附加的鍍層及噴漆工藝增加防腐能力。
2、堅固的全金 屬外殼即使在惡劣的條件下也可以有效地保護內部機構不受損傷。
3、導鏈機構及齒輪傳動機構都由具有外殼保護裝置, 可以保護這些關鍵部件,適應不同的操作環境。
4、起重鏈輪采用加硬的材料制造并經過精加工處理, 保證鏈條平滑及準確的動作。
5、極低的凈空尺寸 可以大限度的利用空間,增加有效提升距離。
6、表面鍍鋅 合金鋼起重鏈條,與葫蘆機體的完美配合可以保證運行平穩及準確的運行。
7、上下吊鉤的材質采用抗老化, 高韌度合金鋼,在萬- -發 生超載使用時首先發生變形而不會突然斷裂,保證了使用者安全。



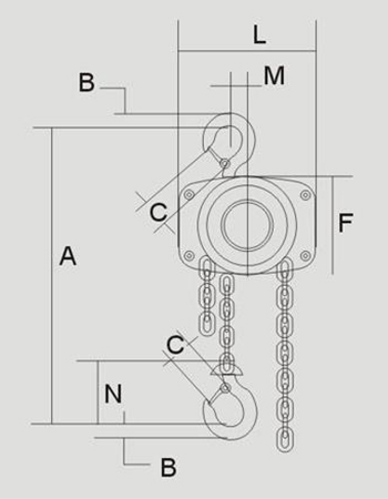
| 型號 | CH | |||||||
| 載重量(KG) | 250 | 1 | 1.5 | 2 | 3 | 5 | 10 | 20 |
| 標準起重高度(M) | 3 | 2.5 | 2.5 | 2.5 | 3 | 3 | 3 | 3 |
| 鏈條行數 | 1 | 1.5 | 2.25 | 3 | 4.5 | 7.5 | 12.5 | 25 |
| 起重鏈直徑(MM) | 4*12 | 5*15 | 6*18 | 7*21 | 8*24 | 10*30 | 7*21 | 10*30 |
| 滿載時手鏈拉力(N) | 235 | 240 | 250 | 265 | 335 | 372 | 290 | 365 |
| 凈重(KG) | 6.2 | 11 | 12.5 | 17.8 | 19.5 | 21 | 29 | 41.3 |